Продавец ООО "СбытЭнергоКомплект" развивает свой бизнес на Deal.by 10 лет.
Знак PRO означает, что продавец пользуется одним из платных пакетов услуг Deal.by с расширенными функциональными возможностями.
Сравнить возможности действующих пакетов
Начать продавать на Deal.by 6 отзывов
+375 (25) 500-71-09
Добавить отзывНаличие документов
Знак Наличие документов означает, что компания загрузила свидетельство о государственной регистрации для подтверждения своего юридического статуса компании или индивидуального предпринимателя.
Сертифицированное производство электромонтажных соединительных изделий.
Осветительный щиток ОЩВ, фото 2
Осветительный щиток ОЩВ, фото 3
Осветительный щиток ОЩВ, фото 2
Осветительный щиток ОЩВ, фото 2
Осветительный щиток ОЩВ, фото 3
Описание
Характеристики
Информация для заказа

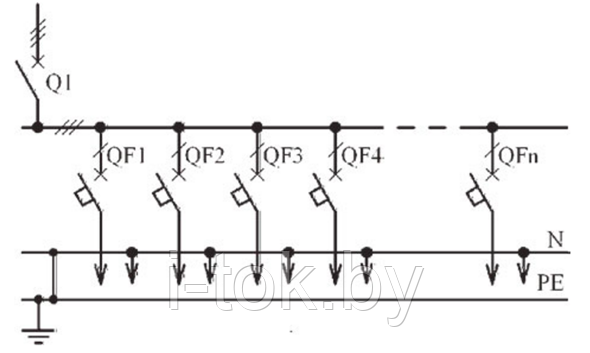
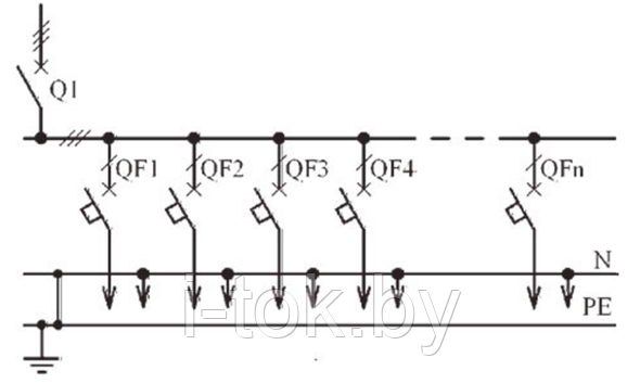
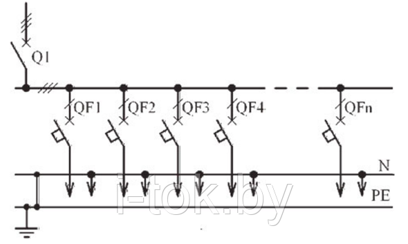
Щитки осветительные серий ОЩ, ОЩВ, УОЩВ предназначены для приема и распределения электроэнергии в сетях трехфазного переменного тока напряжением 380/220В с глухозаземленной нейтралью, частотой 50Гц, а также для защиты отходящих линий при перегрузках и коротких замыканиях.

Щитки осветительные изготавливаются в металлических боксах с порошковым покрытием, со степенью защиты IP31, IP54. Комплектуются DIN-рейками, автоматическими выключателями, шинами N и PE.

ОЩВ — ХХ УХЛ4, ХХ / ХХ А, ХХ
ОЩВ — ХХ УХЛ4, ХХ / ХХ А, ХХ Осветительный щиток с выключателем
ОЩВ — ХХ УХЛ4, ХХ / ХХ А, ХХ Количество автоматических выключателей
ОЩВ — ХХ УХЛ4, ХХ / ХХ А, ХХ Климатическое исполнение (УХЛ) и категория размещения (4) по ГОСТ 15050-69
ОЩВ — ХХ УХЛ4, ХХ / ХХ А, ХХ Номинальный ток вводного автомата
ОЩВ — ХХ УХЛ4, ХХ / ХХ А, ХХ Номинальный ток автоматов в групповой цепи
ОЩВ — ХХ УХЛ4, ХХ / ХХ А, ХХ

Степень защиты по ГОСТ 15150-69: IP31, IP54.

Виды ОЩВ
Наименование Номинальный ток вводного автомата, А Номинальный ток автоматов в групповой цепи, А Количество автоматов в групповой цепи, шт Степень защиты Ном. рабочее напряжение Un, В
ОЩВ-6 УХЛ4, 63/16А, IP31 63 16 6 IP31 380/220
ОЩВ-6 УХЛ4, 63/25А, IP31 63 25
ОЩВ-6 УХЛ4, 100/16А, IP31 100 16
ОЩВ-6 УХЛ4, 100/25А, IP31 100 25
ОЩВ-12 УХЛ4, 63/16А, IP31 63 16 12
ОЩВ-12 УХЛ4, 63/25А, IP31 63 25
ОЩВ-12 УХЛ4, 100/16А, IP31 100 16
ОЩВ-6 УХЛ4, 100/25А, IP31 100 25
ОЩВ-6 УХЛ4, 63/16А, IP54 63 16 6 IP54 380/220
ОЩВ-6 УХЛ4, 63/25А, IP54 63 25
ОЩВ-6 УХЛ4, 100/16А, IP54 100 16
ОЩВ-6 УХЛ4, 100/25А, IP54 100 25
ОЩВ-12 УХЛ4, 63/16А, IP54 63 16 12
ОЩВ-12 УХЛ4, 63/25А, IP54 63 25
ОЩВ-12 УХЛ4, 100/16А, IP54 100 16
ОЩВ-12 УХЛ4, 100/25А, IP54 100 25
Технические характеристики Щиток ОЩВ-6 Щиток ОЩВ-12
Номинальное напряжение изоляции Ui, В 660
Номинальная отключающая способность
вводного автоматического выключателя, кА
 4,5
Номинальная отключающая способность
автоматических выключателей групповых цепей, кА
4,5
Номинальный условный ток короткого замыкания Inc, кА  10
Вид установки навесной
Тип покрытия порошковое
Габаритные размеры, мм 210x245x120 210x410x120
Масса, кг (не более)  3,6 5,3
Степень защиты IP31, IP54
Климатическое исполнение и категория размещения УХЛ4

Вашу заявку вы можете передать нам на электронную почту: sbytenergokomplekt@bk.ru, либо по телефону: +375 (25) 500-71-09 (life, viber).

Основные
Страна производительБеларусь
Тип оборудования Шкаф
Количество шкафов 1 шт.
Тип щита Учетно-распределительный
Пользовательские характеристики
ПроизводительООО "СбытЭнергоКомплект"
  • Цена: от 120 руб.